Каталог
Каталог Написать в WhatsApp
Мотоэкипировка

Механизм переключения передач (Часть 2) КВАДРОЦИКЛА STELS ATV 800 GT

Механизм переключения передач (Часть 2) КВАДРОЦИКЛА STELS ATV 800 GT в Южно-Сахалинске: актуальный каталог, цены, фото, описание. Купите механизм переключения передач (часть 2) квадроцикла stels atv 800 gt в кредит – оформите заявку онлайн за 1 минуту!

Оригинальные запчасти

Артикул НАИМЕНОВАНИЕ Кол-во деталей в узле Примечание Наличие Цена Аналоги Фото
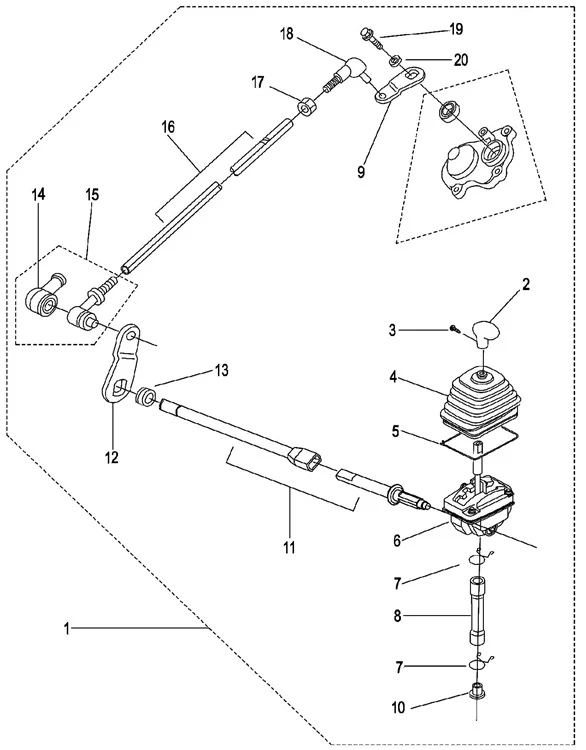
1 LU022478 Механизм переключения передач, в сборе 23400-058-0000

Под заказ

1

Под заказ

уточнить

11 030

Купить
2 LN000686 Механизм переключения передач в сборе 173300-102-0000

В наличии

1

В наличии

6 100

12 260

Купить
3 LU053616 Механизм переключения передач, в сборе 23400-158-0000

Под заказ

1

Под заказ

уточнить

7 400

Купить
4 LU043670 Ручка переключения передач 23402-158-0000

Под заказ

1

Под заказ

уточнить

Купить
5 23401-058-0000 Винт самонарезающий ручки переключения передач, пластик

Под заказ

1

Под заказ

уточнить

Купить
6 LU022487 Хомут проволочный чехла рычага переключения передач 23416-058-0000

Под заказ

1

Под заказ

уточнить

Купить
7 LN000481 Механизм переключения передач 23410-158-0000

Под заказ

1

Под заказ

уточнить

4 870

Купить
8 LU048707 Механизм переключения передач в сборе 23410-158-0000_

Под заказ

1

Под заказ

уточнить

Купить
9 LU022418 Хомут пружинный ленточный 14 DIN 3021 90414-000-0000,90414-055-0000

Под заказ

2

Под заказ

уточнить

430

Купить
10 LU022484 Трубка дренажная механизма переключения передач, резина 23417-058-0000

Под заказ

1

Под заказ

уточнить

Купить
11 23422-058-0000 Серьга тяги механизма переключения передач

Под заказ

1

Под заказ

уточнить

Купить
12 LU022485 Заглушка дренажной трубки 23418-058-0000

Под заказ

1

Под заказ

уточнить

Купить
13 LN000482 Ось рычага механизма переключения передач 23417-158-0000

Под заказ

1

Под заказ

уточнить

Купить
14 23421-058-0000 Серьга оси механизма переключения передач

Под заказ

1

Под заказ

уточнить

Купить
15 LN000649 Втулка оси рычага механизма переключения передач, сталь 23481-158-0000

Под заказ

1

Под заказ

уточнить

Купить
16 23461-058-0000 Чехол пылезащитный шарового пальца тяги переключения передач

Под заказ

1

Под заказ

уточнить

Купить
17 LU022481 Наконечник с шаровым пальцем тяги рычага перекл.передач II 23460-058-0000

Под заказ

1

Под заказ

уточнить

Купить
18 23453-158-0000(L) Тяга рычага переключения передач

Под заказ

1

Под заказ

уточнить

Купить
19 LN000483 Тяга рычага переключения передач 23450-158-0000

Под заказ

1

Под заказ

уточнить

Купить
20 23454-158-0000(L) Гайка тяги рычага переключения передач

Под заказ

1

Под заказ

уточнить

Купить
21 LU021760 Кронштейн крепления коробки передач в сборе 23470-058-0000

Под заказ

1

Под заказ

уточнить

3 380

Купить
22 LU013783 Болт с фланцем М8х1.25х 16мм, сталь 9102-08-016

Под заказ

1

Под заказ

уточнить

40

Купить

Нулевая цена не означает отсутствие товара. Оформите заказ, и менеджер сообщит вам цену и наличие товара, предварительно запросив их у поставщика

Главная Магазины
Корзина0
Профиль