Каталог
Каталог Написать в WhatsApp
Мотоэкипировка

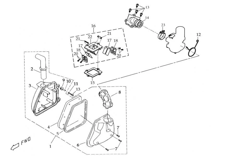
Система впуска КВАДРОЦИКЛА STELS ATV 110 D (603)

Система впуска КВАДРОЦИКЛА STELS ATV 110 D (603) в Южно-Сахалинске: актуальный каталог, цены, фото, описание. Купите система впуска квадроцикла stels atv 110 d (603) в кредит – оформите заявку онлайн за 1 минуту!

Оригинальные запчасти

Артикул НАИМЕНОВАНИЕ Кол-во деталей в узле Примечание Наличие Цена Аналоги Фото
1 LU021006 Фильтр воздушный, в сборе E070124-00

Под заказ

1

Под заказ

уточнить

3 670

Купить
2 LU021005 Элемент фильтрующий воздушного фильтра, пенополиуретан E070033-00

Под заказ

1

Под заказ

уточнить

630

Купить
3 LU021007 Винт самонарезающий с крестообразным шлицем 5х25мм, сталь A130022-43

Под заказ

3
M5X25L
M5X25L

Под заказ

уточнить

Купить
4 LU020993 Шайба 6.5х13х1.0мм, сталь A080036-41

Под заказ

2
Ø6.5XØ13X1.0
Ø6.5XØ13X1.0

Под заказ

уточнить

Купить
5 LU021008 Хомут пружинный патрубка воздушного фильтра, сталь E070042-00

Под заказ

1

Под заказ

уточнить

Купить
6 LU013752 Винт с полукругл.головк.и крест.шлицем М6х1.0х25 мм, сталь 9141-06-025

Под заказ

6

Под заказ

уточнить

30

Купить
7 LU021009 Патрубок лепесткового клапана, резина E070037-00

Под заказ

1

Под заказ

уточнить

860

Купить
8 LU021010 Прокладка лепесткового клапана, паронит E070038-00

Под заказ

1

Под заказ

уточнить

Купить
9 LU021011 Клапан лепестковый в сборе E070126-00

Под заказ

1

Под заказ

уточнить

1 990

Купить

Нулевая цена не означает отсутствие товара. Оформите заказ, и менеджер сообщит вам цену и наличие товара, предварительно запросив их у поставщика

Главная Магазины
Корзина0
Профиль